訓練家的佈弱格-Patch1.2

The BLOG of trainer



編輯日期:2020-08-19 09:22

類型:速克達區
作者:羽山
文章時間:2020-08-19 09:22:09
瀏覽人數:10717人
標題: 新高手125前叉油更換
網址:http://demo.3wa.tw/blog/blog.php?id=1869
內容:
 

新高手 125 前叉頂蓋終於拆開啦~~~

 

車友鳥嘴的新高手125在更換前叉油時遇到困難,一起來試看看怎麼拆

徵得同意後引用大部分照片,咱也來寫點補充說明

補充三個DIY難度相當高的魔王

 

第一個魔王

要將前叉頂住的塞子壓下,才能露出 C 型環,強烈建議先製作特工

特工就是使用一個 矽利康擠汁工具,跟一組約 31mm 的夾扣

還好鳥嘴兄有帶著特工,不然光要優雅的拆就很困難

 

第二個魔王

將特工壓下頂蓋,露出的 C 型環,這時才是真正的挑戰
這個 C 型環非常難拆,別以為用了尖的扁鑽或是小支一支就挖的出來
他會一直旋轉,跑來跑去,根本施不了力

 

 

 最終還是靠非常堅固的小勾子才勾的出來
這個是「拯救斷錀匙的特工」

也許也可以用吸管,想辦法讓 C 型環
的一個角角吃入吸管,再拉出來

不然就要拿一支尖的扁鑽,把尖頭的部分用鉗子掰成小勾子

 

 

 沒經驗的人可能光拆這個 C 環就要花上數小時...還可能挑戰失敗最終放棄

 

 

 難度五顆星

 

 

第三道魔王

 C環拿下來後,這個塞子也沒這麼容易出來

方法二個:
1、手悶住塞子防噴出,然後前叉快速往地上敲,要敲數次,藉由瞬間壓縮的壓力讓塞子擠出

2、如果方法一失敗,再裝上特工,反覆一直進行壓入塞子,放開塞子,四週還要淋些WD40
反覆一直壓數十次,再配合步驟一反履試了好多次最終才成功鬆開

O-Ring 會卡在 C 環的溝溝或是塞子四週生銹跟前叉內管夾在一起就出不來

 

 

 接下來拆下彈簧,這支是原廠前叉,從來沒拆過的

原廠設定是 下密上疏

 

 

 倒出舊油,舊油的量單支是 80cc

聽鳥嘴說他找很久沒查到單支前叉油是多少,但他50kg的體重

騎了 8  年的車,彈簧也都軟了,平常騎都會觸底

就不建議他一樣只加入 80cc

這樣改變不了任何事

網路上查的資料似乎有80cc、85cc、也有100cc

 

 

 如果擔心油倒多會爆油封,可以考慮增加彈簧的預載

加個幾顆華司墊片或是調整前叉油的濃度

看他拆之前騎車軟成那樣,一言不合二話不說直接入100cc

 

 

金帝前叉油,單支是 160cc,正常可以給一對前叉用(80cc + 80cc)

鳥嘴只帶了一支來,剛好我家也有一支用剩的,這樣就足200cc了

 

 

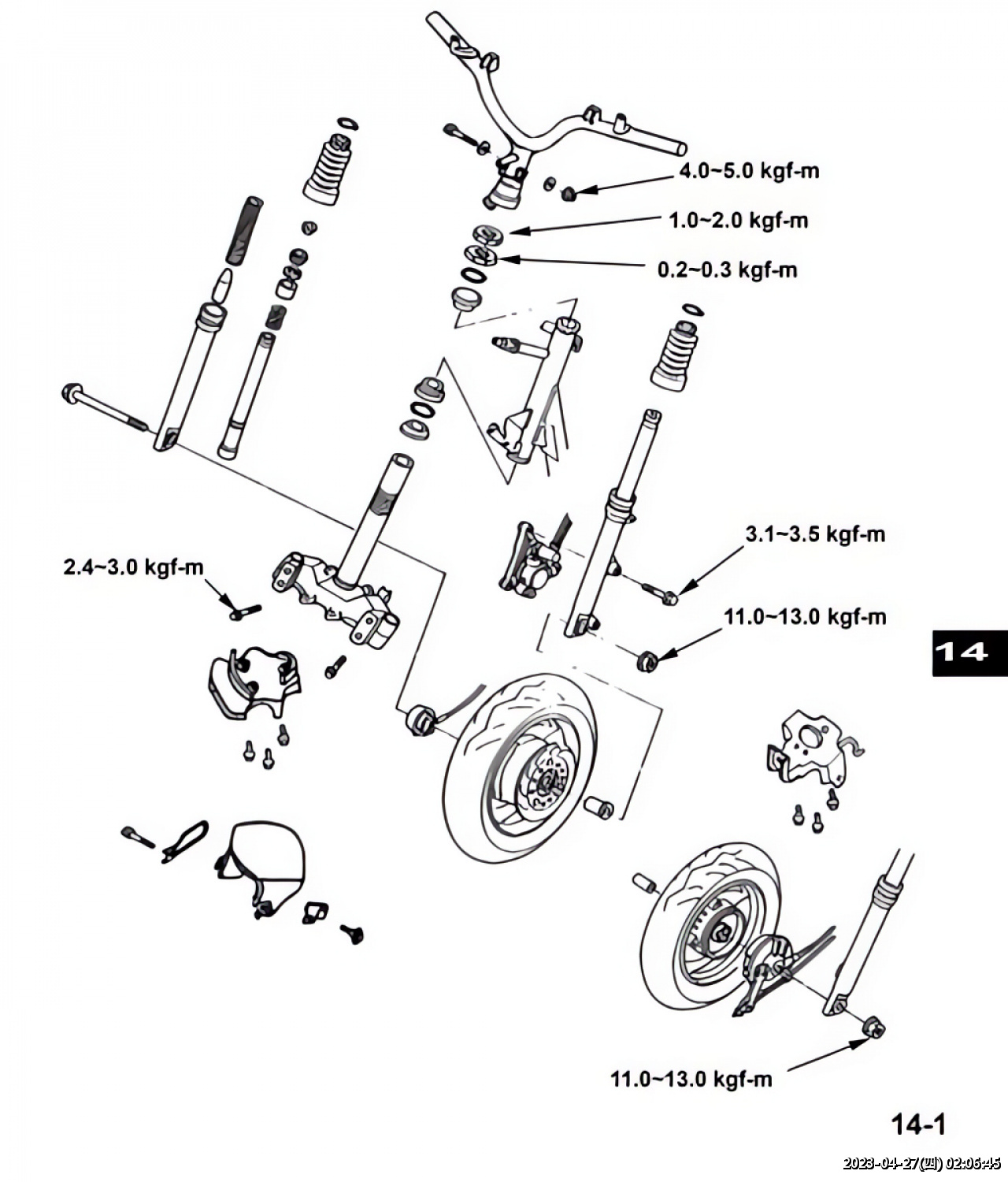
網路上看到的 新高手125 的扭力值參考

前輪軸心居然要鎖到 11~13kgf-m 這麼高...

 

後記:

前叉油重新灌入,總算回彈恢復正常,看鳥嘴兄開心的表情一切都值得^_^

看別人弄好像很容易,實際自己動手才會知道困難,隨經驗的累積,除了自己學會~

也與大家分享成功的方法跟喜悅。

 

 詳細完整拆裝心得,可以上 鳥嘴Blog 查詢

個人也十分推薦他的 Blog ,很多很棒的 DIY 心得

 

 

 

 

 

 

首頁  上十頁  上一頁  1 下一頁    最末頁 (總共有...1頁)

第 1 頁

有話要說  看留言 【4】
其他分類
當月訓練
(2020-08-22)
【速克達區】PGO XHOT150 裝單向閥

(2020-08-19)
【速克達區】新高手125前叉油更換

(2020-08-17)
【Arduino】雷射炮架

(2020-08-05)
【遊戲 / 生活】Casio SGW-100 換新電池 CR2025 3V

最新訓練
(2026-01-25)
【VR 150】VR150 整理側柱

(2026-01-25)
【機車綜合相關】羽山牌卡鉗特工零代、一代、二代、三代

(2026-01-24)
【KTM 390】KTM Duke390 更換導鏈橡皮

(2026-01-22)
【HONDA CBR1000RR】CBR1000RR 顧路,汽油泵沒動作

(2026-01-18)
【機車綜合相關】單向閥氟橡膠替代油封

(2026-01-17)
【VR 150】VR150 轉速表線、空檔燈、大燈、側殼、下護板-Part End

(2026-01-17)
【VR 150】VR150 引擎上車、化油器安裝、腳踏、前齒、發動 - Part8

(2026-01-15)
【VR 150】VR150 組裝電盤側、調汽門間隙、安裝啟動馬達、整理下護板 - Part7

(2026-01-14)
【VR 150】VR150 整理電盤內仁、啟動馬達、電盤線組 - Part6

(2026-01-12)
【電腦應用】自行編譯 three.js cdn 方法,以 r155 為例